
SAB Series Slide Switch 6 Pin Pcb Vertical Slide Switch
Switch Safety Approvals,Long Life and High Reliability,Complete Variety of Wiring Terminal,Various Dimensions Satisfy Different Installation Requirements
3D picture

Product Image

Feature
Application
Home Appliance
Motor Control
Toys
Medical Equipments
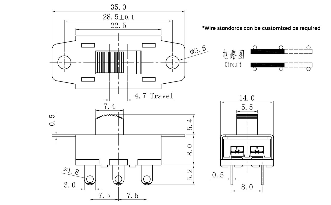
Outline Drawing

Parameters
Ordering Instruction
