
RCC Series Rocker Switch UL 3 Pin 16A 250V T125 Mini Illuminated
Designed For Waterproof IP65,Switch Safety Approvals,Long Life and High Reliability,Complete Variety of Wiring Terminal,Various Dimensions Satisfy Different Installation Requirements
3D picture

Product Image

Feature
Application
Home Appliance
Office Equipment
Medical Equipment
Automatic Equipments
Sharing Device
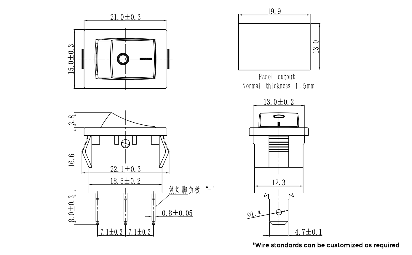
Outline Drawing

Parameters
Ordering Instruction
